 |
| 夾緊力kN |
| 扭矩Nm |
3400V |
| 14 |
4.7 |
| 27 |
9.8 |
| 41 |
15.5 |
| 54 |
20.8 |
| 68 |
27.8 |
| 81 |
33.4 |
| 重量 |
12.7kg |
|
|
| 夾緊力kN |
| 液壓MPa |
3400H |
| 3.4 |
1.6 |
| 6.9 |
7.1 |
| 10.3 |
13.4 |
| 13.8 |
19.1 |
| 17.2 |
25.4 |
| 20.7 |
32.0 |
| 22.1 |
34.7 |
| 液壓排量 CC |
13 |
| 重量 |
14.1kg |
|
|
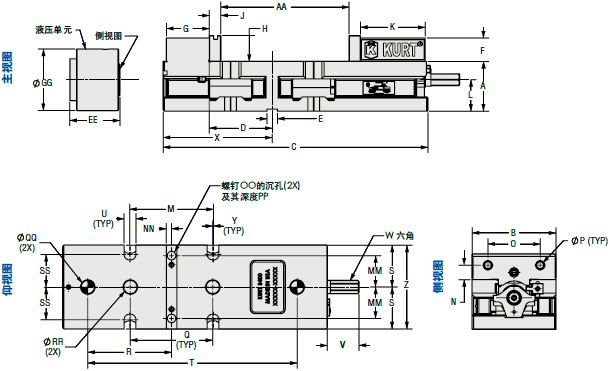
| 參數表 mm(in) |
|
3400V /3400H |
| A |
60.33 |
| B |
101.60 |
| C |
321.16 |
| D |
76.20 |
| E |
12.71 |
| F |
28.32 |
| G |
51.99 |
| H |
31.37 |
| J |
13.89 |
| K |
78.49 |
| L |
38.23 |
| M |
101.60 |
| N |
17.45 |
| O |
63.50 |
| P |
(3/8-16) |
| Q |
100.00 |
| R |
101.60 |
| S |
50.80 |
| T |
254.00 |
| U |
14.30 |
| V |
38.51 |
| W |
(9/16) |
| X |
132.16 |
| Y |
0.79 |
| Z |
101.60 |
| AA |
152.40 |
| BB |
218.29 |
| CC |
244.78 |
| DD |
310.67 |
| EE |
65.53 |
| FF |
- |
| GG |
74.60 |
| MM |
38.10 |
| NN |
6.36 |
| OO |
(3/8) |
| PP |
13.74 |
| QQ |
15.88 |
| RR |
M16 |
| SS |
39.57 |
|