| 夾緊力 (kN) |
| 扭矩Nm |
HDM6 |
| 14 |
3.9 |
| 27 |
7.5 |
| 41 |
11.1 |
| 54 |
14.2 |
| 68 |
19.6 |
| 81 |
21.5 |
| 95 |
24.7 |
|
|
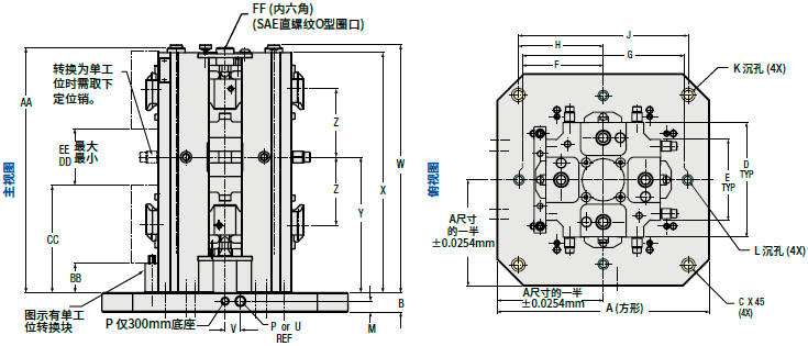
| HD普通四面體鉗參數表 mm(in) |
|
CTHDM643 |
CTHDM644 |
CTHDM645 |
CTHDM646 |
| A |
300.000 |
400.000 |
500.000 |
630.000 |
| B |
25.400 |
31.750 |
31.750 |
38.100 |
| C |
20.000 |
50.000 |
60.000 |
70.100 |
| D |
215.900 |
215.900 |
215.900 |
215.900 |
| E |
152.400 |
152.400 |
152.400 |
152.400 |
| F |
– |
158.750 |
203.200 |
254.000 |
| G |
– |
317.500 |
406.400 |
508.000 |
| H |
127.000 |
160.000 |
200.000 |
250.000 |
| J |
254.000 |
320.000 |
400.000 |
500.000 |
| K |
M12 |
M16 |
M16 |
M16 |
| L |
– |
M12 |
M12 |
M12 |
| M |
15.000 |
18.000 |
18.000 |
18.000 |
| N |
40.000 |
– |
– |
100.000 |
| O |
80.000 |
– |
– |
200.000 |
| P |
M12 x 1.75 |
– |
– |
M16 x 2.0 |
| Q |
– |
55.000 |
55.000 |
– |
| R |
– |
110.000 |
110.000 |
– |
| S |
– |
75.000 |
75.000 |
– |
| T |
– |
150.000 |
150.000 |
– |
| U |
– |
M16 x 2.0 |
M16 x 2.0 |
– |
| V |
– |
25.000 |
25.000 |
25.000 |
| W |
403.230 |
403.230 |
403.230 |
403.230 |
| X |
390.520 |
390.520 |
390.520 |
390.520 |
| Y |
220.680 |
220.680 |
220.680 |
220.680 |
| Z |
111.130 |
111.130 |
111.130 |
111.130 |
| AA |
398.480 |
398.480 |
398.480 |
398.480 |
| BB |
47.625 |
47.625 |
47.625 |
47.625 |
| CC |
174.625 |
174.625 |
174.625 |
174.625 |
| DD |
82.550 |
82.550 |
82.550 |
82.550 |
| EE |
92.080 |
92.080 |
92.080 |
92.080 |
| FF |
15.875內六角 |
15.875內六角 |
15.875內六角 |
15.875內六角 |
| 重量kg帶有鉗口時 |
139.7 |
161.0 |
183.7 |
239.5 |
|